Logo
Guarato Tuyauterie Service
Installation de systèmes
de tuyauterie
Gironde & France entière

Expert pour l'implantation de tuyauterie industrielle en France

Présentation
Qui sommes-nous ?

Spécialiste de la tuyauterie industrielle professionnelle

Créée en 1999, Guarato Tuyauterie Service (GTS) est une société indépendante au service des industriels.
Le savoir-faire acquis de longue date par nos 25 collaborateurs nous permet d’apporter des solutions concrètes et sur mesure pour tous vos chantiers de Tuyauterie Industrielle.
La satisfaction du client est notre principal souci. Nous visons le long terme. 

Située en Nouvelle Aquitaine (au Nord de Bordeaux), GTS intervient sur toute la  France,  dans tous les secteurs industriels.

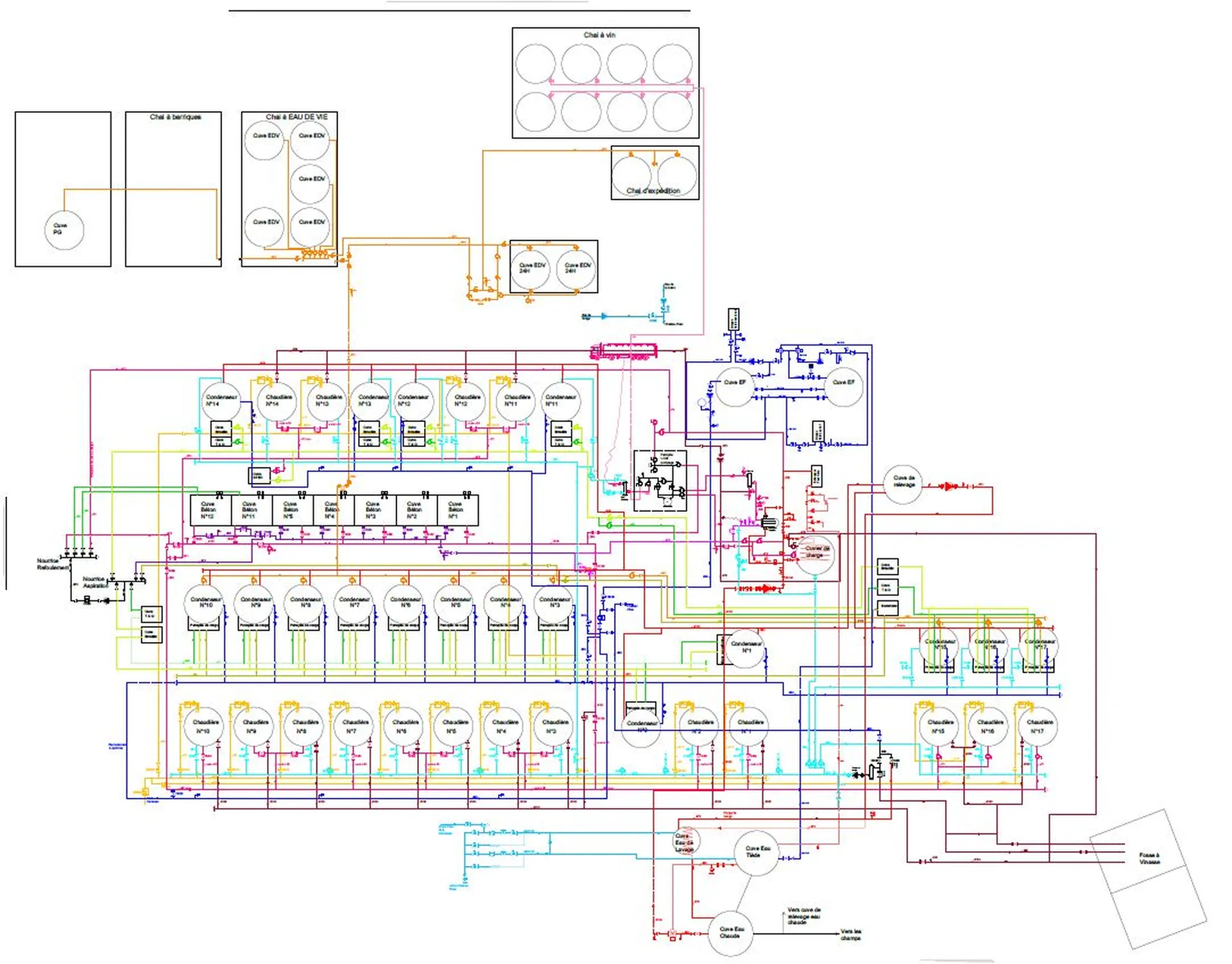
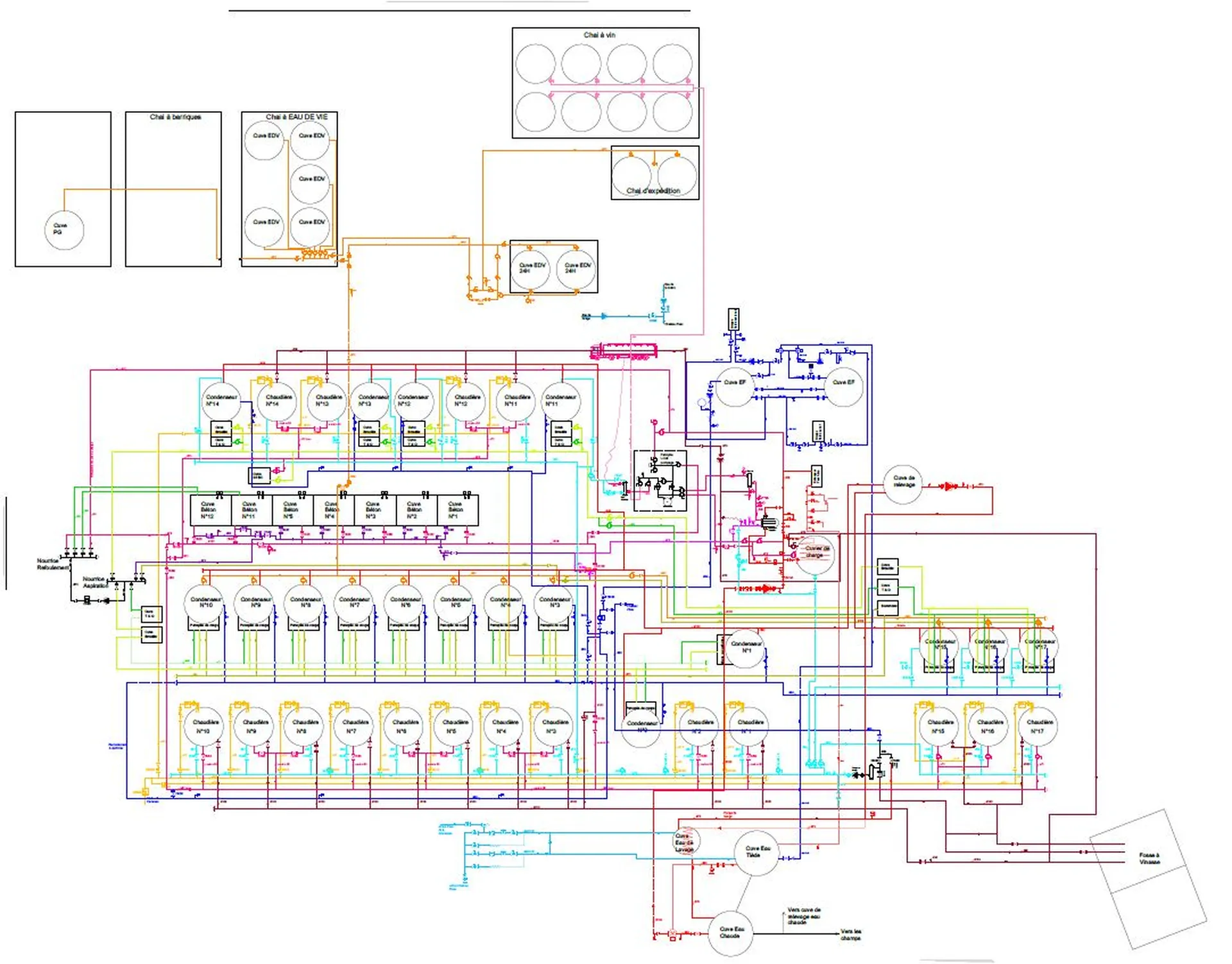
Au-delà de l’installation simple de tuyauterie, nous sommes Experts des systèmes de transfert de fluides industriels.

De la conception à la pose, nous réalisons des ensembles complets de tuyauterie Industrielle, dans tous types de matériaux (inox, acier, PVC… ) de tous diamètres ,pour toutes les applications

Les ingénieurs experts fluides de notre Bureau d’Etudes, équipés des dernières technologies numériques (logiciels de CAO, scanners laser 3D), vous assistent dans la conception, le dessin et la visualisation de votre projet.

Nous optimisons vos process en imaginant les implantations de tuyauteries les plus efficientes possible pour votre environnement spécifique.

Nous possédons plus de vingt DMOS et QMOS . Nos soudeurs sont qualifiés tant à la soudure manuelle qu'à l'utilisation des robots de soudure orbitale que nous possédons. Nous sommes aptes à assurer la traçabilité d'une réalisation et sommes familiers du CODETI et de la DESP.

GTS maîtrise tout particulièrement les process agro-alimentaires imposant les normes SMS et DIN, la conception et la réalisation de skids en ateliers et la CAO des installations.

 

Découvrir
Nos références
Aéronautique
Agroalimentaire
Agroalimentaire
Pharmaceutique
Agroalimentaire
Energies
Energies
Agroalimentaire
Défense
Energies
Suivez
Notre actualité
Aide à la transformation numérique

Aide à la transformation numérique

Grâce au soutien financier de la Région Aquitaine, nous avons accéléré notre transformation numérique. Cette aide nous a permis d’acquérir un scanne...
Tuyauterie
À découvrir
également
Modélisation Châssis inox

Conception, préfabrication et installation d’une station NEP inox sur châssis avec soudure orbitale en Vendée dans l'industrie agroalimentaire

En Vendée, GTS a conçu et réalisé une station NEP inox sur châssis destinée au nettoyage des cuves et réseaux process d’une usine agroalimentaire. Après modélisation 3D à partir du PID client, la station a été entièrement préfabriquée dans nos ateliers ...
En savoir plus
Manifold de dépotage

Fabrication et installation de tuyauterie inox 316L agroalimentaire pour transfert d’huile et raccordement de cuverie en Gironde

Réalisation en Gironde d’un réseau de tuyauterie inox 316L pour transfert d’huile destiné à une nouvelle cuverie agroalimentaire. Le chantier comprend des manifolds de dépotage et de soutirage, des soudures orbitales sous inertage azote et des réseaux ...
En savoir plus
Quels services de tuyauterie industrielle et de modélisation numérique propose votre entreprise pour accompagner les projets professionnels ?

Quels services de tuyauterie industrielle et de modélisation numérique propose votre entreprise pour accompagner les projets professionnels ?

Guarato Tuyauterie Service (GTS) propose une expertise complète dédiée aux secteurs industriels, notamment l’agroalimentaire, la chimie et l'énergie. Notre savoir-faire s’articule autour de deux axes majeurs : la réalisation technique et l’ingénierie nu...
En savoir plus
0

ans d'expérience

0

collaborateurs

0

chargés d'affaires

0

chantiers annuels