Nos activités

Tuyauterie inox

Réseaux de chaleur en inox à Bordeaux

GTS a récemment finalisé un chantier technique de réseaux de chaleur en inox à Bordeaux, combinant savoir-faire industriel et contraintes de terrain complexes. Cette installation visait à assurer le transfert thermique entre plusieurs bâtiments, grâce à...
En savoir plus
Clarinette DESP

Fabrication de clarinettes de distribution d'air comprimé conformes DESP à Bordeaux

GTS a récemment réalisé la fabrication de clarinettes de distribution d'air comprimé en acier inoxydable pour un client industriel. Ce projet a nécessité une expertise technique approfondie et le respect strict de la réglementation DESP.
En savoir plus
Entreprise spécialisée dans la tuyauterie industrielle à Bordeaux Nouvelle-Aquitaine

Entreprise spécialisée dans la tuyauterie industrielle à Bordeaux Nouvelle-Aquitaine

Vous recherchez un spécialiste de la tuyauterie industrielle à Bordeaux ? Guarato Tuyauterie Service accompagne les industriels de Nouvelle-Aquitaine depuis plus de 25 ans dans leurs projets de conception, fabrication et installation de réseaux de tu...
En savoir plus
Implantation de réseaux de tuyauterie industrielle à Lyon avec étude de positionnement pour optimiser les flux de production en Rhône-Alpes

Implantation de réseaux de tuyauterie industrielle à Lyon avec étude de positionnement pour optimiser les flux de production en Rhône-Alpes

L’implantation de réseaux de tuyauterie industrielle à Lyon par Guarato Tuyauterie Service repose sur une étude de positionnement millimétrée. Cette méthodologie garantit une optimisation réelle des flux de production en Rhône-Alpes, en limitant les per...
En savoir plus
Numérisation laser tuyauterie inox

Numérisation 3D de tuyauterie inox dans un hôpital à Bordeaux : un exemple d’intégration réussie dans un nuage de points

À Bordeaux, notre équipe GTS a été mobilisée pour la modélisation 3D de 500 mètres de tuyauterie inox sur un hôpital, avec pour objectif une précision millimétrique avant le lancement des travaux. Grâce à notre scanner laser 3D FARO et au traitement des...
En savoir plus
Plan tuyauterie

Tuyauteries inox d'un réseau de chaleur urbain d'un hôpital à Bordeaux

GTS a raccordé un Réseau de Chaleur Urbain à un hôpital à Bordeaux.
En savoir plus
Bureau d'étude spécialisé en conception de réseaux de fluides à Lyon avec modélisation 3D pour une intégration parfaite en Rhône-Alpes

Bureau d'étude spécialisé en conception de réseaux de fluides à Lyon avec modélisation 3D pour une intégration parfaite en Rhône-Alpes

Guarato Tuyauterie Service intervient comme bureau d'étude spécialisé dans la conception de réseaux de fluides à Lyon. Grâce à la modélisation 3D avancée, nous assurons une intégration parfaite des installations industrielles en Rhône-Alpes, optimisant ...
En savoir plus
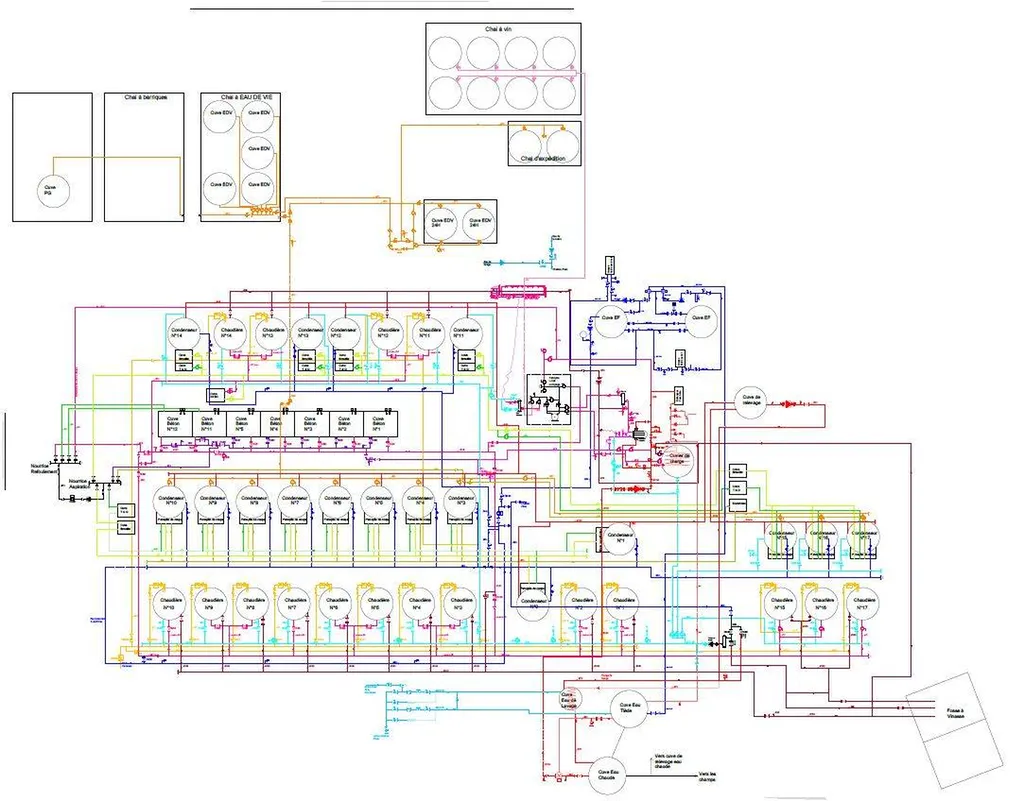
PID de tuyauterie

Réalisation d'un Piping Instrumentation Diagram (PID) en Aquitaine

L'objectif du projet était de pouvoir repérer et identifier les différentes réseaux et éléments de robinetterie au sein d'une distillerie. Par la suite, nous devions réaliser un Piping Instrumentation Diagram (PID) pour schématiser l'ensemble des tuyaut...
En savoir plus
PV de CND

GTS assure la traçabilité de vos systèmes de transfert de fluides à Toulouse

La traçabilité de la fabrication de nos tuyauteries satisfait nos clients les plus exigeants
En savoir plus
Quelle est la différence entre les normes SMS, DIN et MACON pour la tuyauterie agroalimentaire ?

Quelle est la différence entre les normes SMS, DIN et MACON pour la tuyauterie agroalimentaire ?

Les normes SMS, DIN et MACON définissent les dimensions et filetages des raccords pour la tuyauterie agroalimentaire. La norme SMS est la plus répandue en France pour sa polyvalence, tandis que la DIN privilégie l'étanchéité robuste en brasserie. La nor...
En savoir plus
Quels services de tuyauterie industrielle et de modélisation numérique propose votre entreprise pour accompagner les projets professionnels ?

Quels services de tuyauterie industrielle et de modélisation numérique propose votre entreprise pour accompagner les projets professionnels ?

Guarato Tuyauterie Service (GTS) propose une expertise complète dédiée aux secteurs industriels, notamment l’agroalimentaire, la chimie et l'énergie. Notre savoir-faire s’articule autour de deux axes majeurs : la réalisation technique et l’ingénierie nu...
En savoir plus
0

ans d'expérience

0

collaborateurs

0

chargés d'affaires

0

chantiers annuels