1. Accueil
  2. Bureau d'étude
  3. Réalisation d'un Piping Instrumentation Diagram (PID) en Aquitaine
Retour

Réalisation d'un Piping Instrumentation Diagram (PID) en Aquitaine

email Contactez-nous
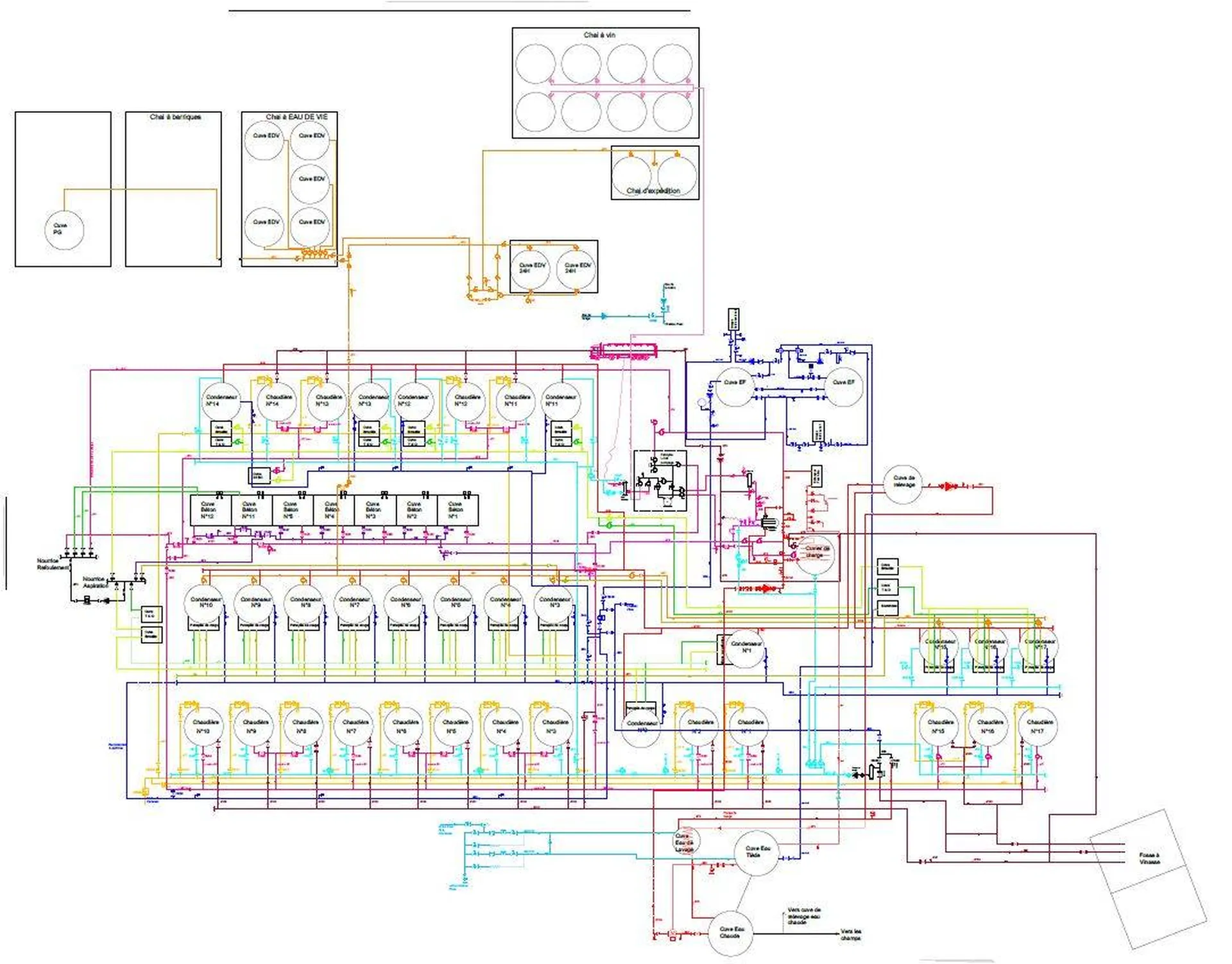
L'objectif du projet était de pouvoir repérer et identifier les différentes réseaux et éléments de robinetterie au sein d'une distillerie. Par la suite, nous devions réaliser un Piping Instrumentation Diagram (PID) pour schématiser l'ensemble des tuyauteries.

La prestation du bureau d'étude de GUARATO TUYAUTERIE SERVICE, marqué par l'utilisation d'un scan laser 3D de la marque FARO, a permis de mettre en exergue tous les réseaux ainsi que tous éléments indispensables pour le bon fonctionnement de l'usine située en Aquitaine.  Cette technologie de  pointe offre une précision millimétrique scrutant chaque détail du process pour une analyse approfondie.  C'est dans cette minutie que réside la clé de notre expertise , garantissant une vision complète du fonctionnement de la distillerie située en Aquitaine. 

Les clients potentiel cherchent à comprendre en quoi la réalisation de ce schéma peut améliorer leur process.  La réalisation du Piping Instrumentation Diagram vise à faire un état des lieux du process de façon très précise.  C'est la première étape avant de commencer l'optimisation ou l'automatisation du process. 

Basée en Aquitaine, les équipes du BE de Guarato Tuyauterie Service se sont déplacés pour passer une semaine en immersion avec les équipes de la distillerie pour appréhender tous les tenants et aboutissants du fonctionnement des réseaux. 

Optimisez vos process grâce à l'expertise, le savoir-faire et l'expérience de GUARATO TUYAUTERIE SERVICE dans le domaine du Piping Instrumentation Diagram.
email Contactez-nous
Partager :
À découvrir
également
La chaufferie nue

Les réseaux de tuyauterie d'une chaufferie d'hôtel implantés en 3D en Aquitaine

Grâce à l'étude sur logiciel de dessin en 3D de l'implantation d'un réseau de tuyauteries, le temps de pose est réduit de 10%.
En savoir plus
Le scan complet de la chaufferie

GTS réalise le scan en 3D de la chaufferie d'un établissement public à Bordeaux

Grace à son scanner laser FARO, GTS est apte à scanner vos locaux techniques afin d'obtenir une maquette en 3D
En savoir plus
Prendre contact
Les champs indiqués par un astérisque (*) sont obligatoires
0

ans d'expérience

0

collaborateurs

0

chargés d'affaires

0

chantiers annuels